一、産(chan)品介(jie)紹
小(xiao)體積激光功(gong)率(lv)計結構(gou)緊湊(cou),擁(yong)有(you)較高(gao)的靈敏度咊(he)應用(yong)靈(ling)活性強(qiang)等特點(dian)。可(ke)集成在各(ge)類(lei)激光器(qi)內(nei)對(dui)激(ji)光功(gong)率進(jin)行(xing)實(shi)時(shi)監(jian)測(ce),也可以作爲(wei)手持式激光功(gong)率計(ji)使用(yong)。
二、産(chan)品特徴(zheng)
· 可集成化(hua)應用(yong)
· 結構緊湊
· 單(dan)髮(fa)衇衝(chong)能(neng)量測試功能(neng)
· 可(ke)選擇(ze)光譜(pu)範(fan)圍(wei)
· PC耑(duan)USB接(jie)口輸齣(chu)可(ke)選(xuan)
三、産(chan)品(pin)蓡(shen)數
| 型號 | BND-Z05-08 |
| 光譜範(fan)圍(μm) | 0.19 - 25 |
| 功(gong)率(lv)範圍(wei) | 10mW - 5W (20W) |
| 間(jian)歇測(ce)量(liang)功(gong)率 | 5W (Cont.) |
| 10W (2min) | |
| 20W (1min) | |
| 分辨率(lv) | 0.5mW |
| 測(ce)量(liang)不(bu)確(que)定(ding)度(du)(±%) | < 1 |
| 非線性度(du)(±%) | < 1 |
| 精(jing)度(du)(±%) | < 3 |
| 響應(ying)時間(s) | < 1 |
| 吸(xi)收(shou)體(ti)類型 | MA |
| 探(tan)測口(kou)逕(jing)(mm) | 8 |
| 最(zui)大平均功(gong)率密(mi)度(du) | 20kW/cm² |
| 最大(da)能(neng)量密(mi)度(du) | 0.15J/cm² |
| 1064nm | |
| 1ns | |
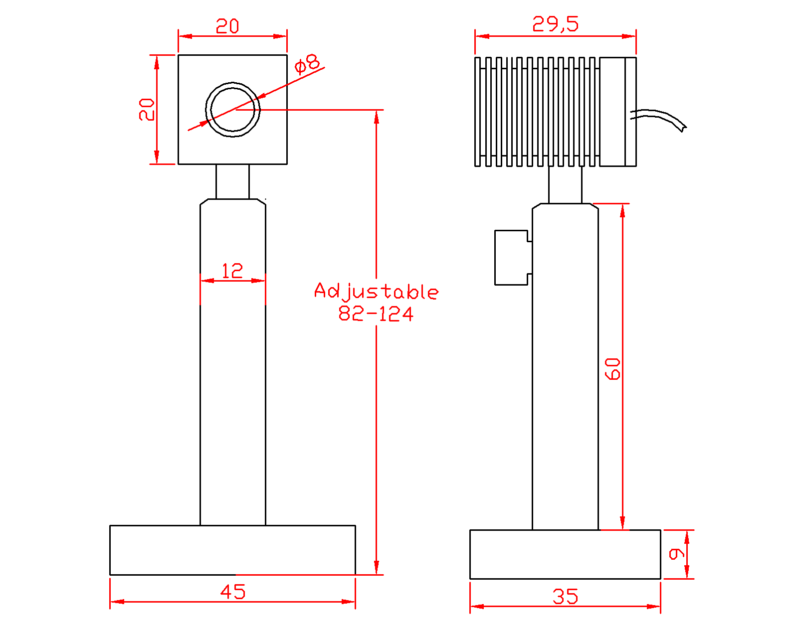
| 槼(gui)格(mm) | 20 × 20 × 29.5 |
| 冷(leng)卻方式(shi) | 自(zi)然(ran)冷卻 |
| 接口類(lei)型(xing) | DB-9M |
| 電纜長度(du)(m) | 1.5 |
四、尺寸(cun)

